按应用分类
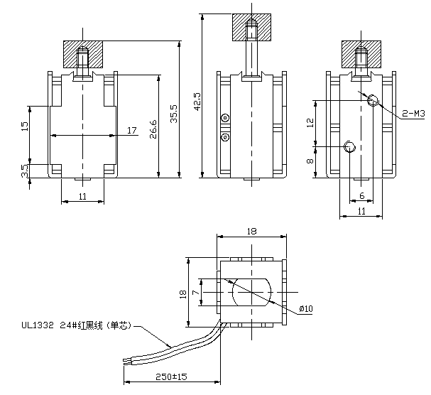
型号:SDL-SBC0726A-24L32
产品使用对象:汽车波箱
产品执行功能:推拉
汽车波箱联系我们_波箱推拉式联系我们定做参数
| 电压: | DC24V | 行程: | 7mm | 电阻: | 32欧 | 功率: | |
| 耐温: | 寿命: | 耐电压: | 初始力: | ||||
| 电流: | 0.75A | 通电率: | 弹簧回力: | 吸力: |
汽车波箱联系我们_波箱推拉式联系我们定做产品详情
汽车波箱联系我们_波箱推拉式联系我们定做
型号:SDL-SBC0726A-24L32
电压:DC24V
电流:0.75A
电阻:32欧
行程:7mm
通电率:10%
单次通电时间:1S
产品使用行业:汽车波箱
产品执行功能:推拉
拓展适用行业:透镜联系我们
产品特点:耐高温。



广州思德隆电子有限公司()创立于2005年,是一家专业生产研发联系我们定制加工,电磁阀定制,hth官方网页版-hth(中国),小型联系我们等各类电磁产品,拥有丰富行业经验的广州联系我们厂家、广州电磁阀厂家、hth官方网页版-hth(中国)厂家。品种多样,规格齐全,(汽车波箱联系我们_波箱推拉式联系我们)产品从零部件到成品组装均有自己的加工设备以及产生线,拥有高精密度检测仪器和自主研发的老化设备,已通过(ISO9001认证)专业制造汽车波箱联系我们_波箱推拉式联系我们从产品设计到样品以及量产,均有量化高效的工艺流程及老化实验检测,保证了产品的质量与订单的按时交货。
.jpg)
广州思德隆联系我们应用的领域:
1、纺织机械联系我们:提花机联系我们、编织机联系我们、绣花机联系我们、毛织机联系我们、缝纫机联系我们、机械手吸盘联系我们、铜带机联系我们等。
2、汽车联系我们:汽车大灯联系我们、汽车换挡器联系我们、汽车刹车电磁阀、汽车波箱用电磁阀、汽车氙气大灯联系我们、汽车伸缩灯联系我们、汽车波箱锁底联系我们、汽车后背箱锁联系我们、汽车CDC减震器电磁阀、减震器CDC阻尼阀等。
关键词:汽车波箱联系我们,波箱推拉式联系我们
| 上一篇:没有信息了 |
| 下一篇:水阀自动调节信号开关双保持联系我们 |






