按应用分类
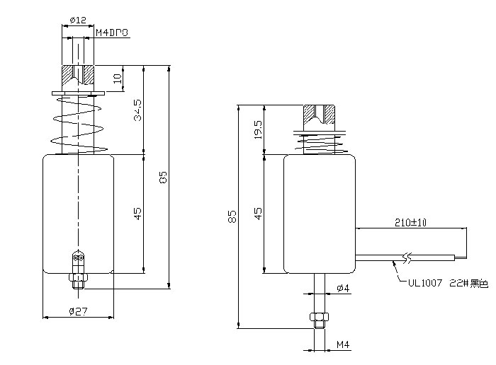
型号:SDL-O1245A-24S28.8
产品使用对象:游戏机游戏枪
产品执行功能:击发器(点击连击)
高频游戏枪击发联系我们参数
| 电压: | DC24V | 行程: | 15MM | 电阻: | 28.8欧 | 功率: | 40W |
| 耐温: | 寿命: | 50万次 | 耐电压: | 初始力: | 0.5KG | ||
| 电流: | 0.83A | 通电率: | 50% | 弹簧回力: | 吸力: |
高频游戏枪击发联系我们产品详情
高频游戏枪击发联系我们
型号:SDL-O1245A-24S28.8
参数
行程:15MM
电压:DC24V
电流:0.83A
电阻:28.8欧
功率:40W
初始力:0.5KG
通电率:50%
寿命:50万次
单次通电时间:0.2S
反应速度:2.5次/秒
环境温度:30℃
温升要求:小于等80℃
产品使用行业:游戏机游戏枪
产品执行功能:击发器(点击连击)
拓展适用行业:自动击发与自动脱落
产品特点:体积小,灵敏度高,高频强力



广州思德隆电子有限公司()创立于2005年,是一家专业生产研发联系我们定制加工,电磁阀定制,hth官方网页版-hth(中国),小型联系我们等各类电磁产品,拥有丰富行业经验的广州联系我们厂家、广州电磁阀厂家、hth官方网页版-hth(中国)厂家。品种多样,规格齐全,产品从零部件到成品组装均有自己的加工设备以及产生线,拥有高精密度检测仪器和自主研发的老化设备,已通过(ISO9001认证)专业制造游戏机联系我们加工/透镜联系我们从产品设计到样品以及量产,均有量化高效的工艺流程及老化实验检测,保证了产品的质量与订单的按时交货。
关键词:高频游戏枪击发联系我们
| 上一篇:流水线垂直升降联系我们 |
| 下一篇:框架推拉式联系我们 |






